If you are using a girdle grinding attachment where you. ride your dop arm on the attachment it's possible the dop arm is not concentrically aligned with your dop chuck or is slightly out of round. This, too, makes symmetrical shapes impossible. The "Prismatic" girdle and main angle steady rest solves these problems. The dop and not the dop arm rides on the 'solid as a rock' steady rest. This eliminates transferring the out of round dop arm to the stone and 'springing'. This isn't just another gadget. You will cut stones faster with a high degree of accuracy when using the "Prismatic" girdle and -main angle steady rest. This attachment is standard optional equipment for "Prismatic" machines. It is adaptable to most other units with minor, if any, alteration. We will allow 5 days for you to determine if you can adapt to your unit. Return unaltered as received for an immediate refund.
Girdle and Main Angle Steady Rest
Back
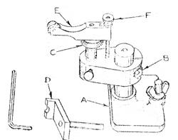
"A" Girdle and Main angle steady rest fixture "B" Coarse height adjustment "C" Fine height adjustment "D" Girdle cutting attachment "E" Main angle cutting attachment "F" Main angle stabilizer locking knob
This attachment simplifies cutting perfect main facets,, each precisely of the same width and depth that you have selected. It also enables you to grind girdles that are perfectly round, square, rectangular or any other non-elliptical shape. Use the marquis and oval preformer attachment described elsewhere in this catalog for elliptical shapes.
If you are not now using a girdle grinding attachment and wonder why your rounds are not round, squares not square, it's possible you are 'springing' your dop arm when grinding girdles. This makes it impossible to get a symmetrical shape.
Send mail to webmaster with questions or comments about this web site.  Copyright © 2006-2026 Poly-Metric Instruments, Inc.    All Prices Subject To Change Without Notice.